Exteriérová učebňa
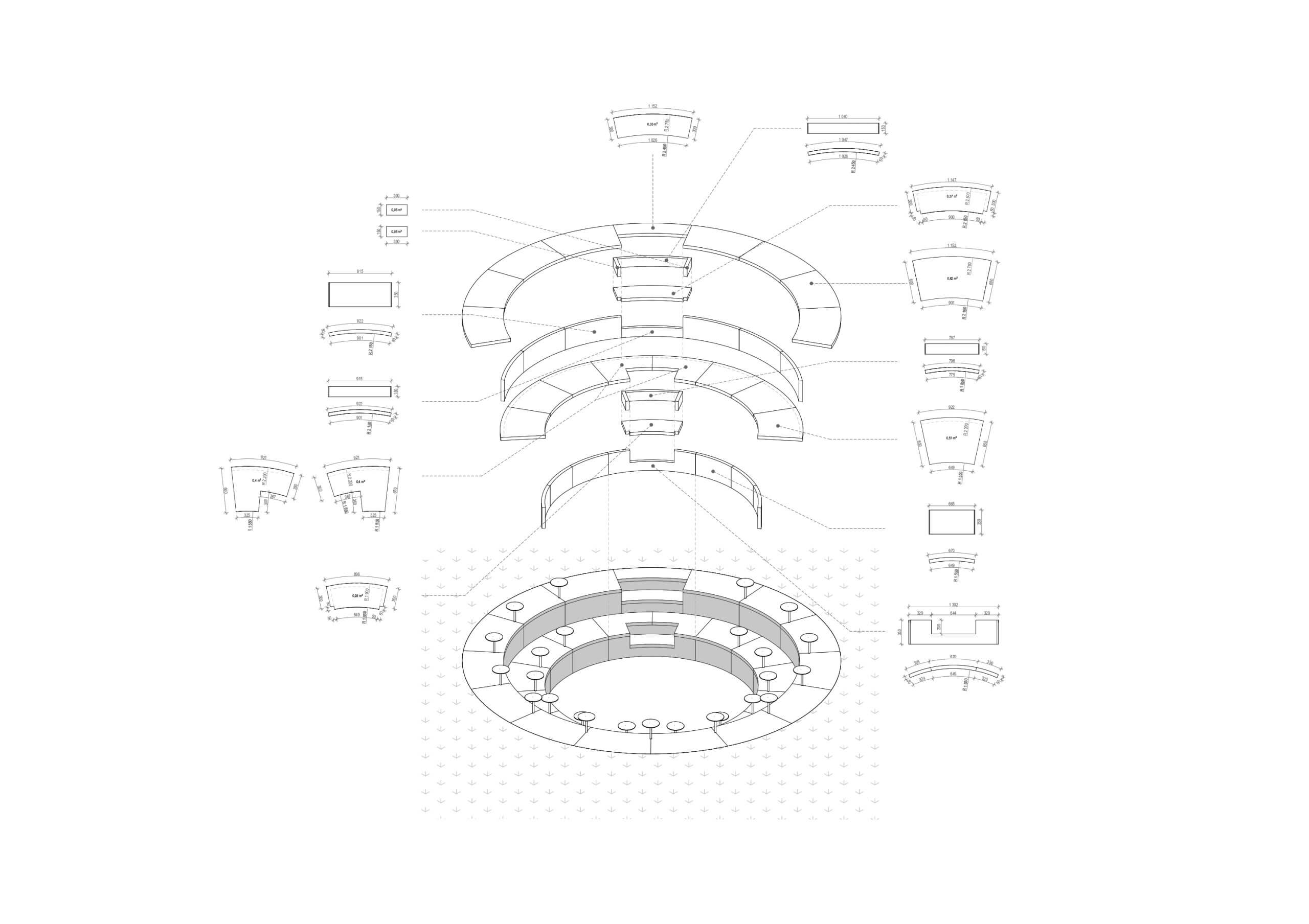
Budova základnej školy v Prievoze je hodnotnou architektúrou zo začiatku 60. rokov. Architekt Marcinka navrhol ojedinelú dispozíciu – krídlo tried a krídlo pomocných miestností sú dva samostatné objemy, prepojené komunikačnými jadrami. Schodiskové veže sú rozdelené 3 átriami. Jedno z átrií má byť doplnené o funkciu exteriérovej učebne. Priestor má užívať 25 žiakov a 1 pedagóg. Átrium sme sa rozhodli vizuálne nezaťažovať – sedenie sme zapustili do terénu. Vytvorili sme 2 úrovne sedenia a usporiadali sme ich do kruhu – žiaci sú si rovnocenní a majú na seba navzájom výhľad. Pedagóg môže prednášať zo stredu kruhu alebo si sadnúť na prístupové schody a stať sa tak súčasťou kolektívu. Exteriérové sedenie navrhujeme realizovať z betónových prefa panelov, stolíky s nadstaviteľnou výškou z ocele.
